Магазин запчастей для бытовой техники - Arlos
Москва
close
Выберите ваш регион
АбаканАлександровАльметьевскАнгарскАрзамасАрмавирАртемАрхангельскАстраханьАчинскБалаковоБалашихаБеларусьБелгородБердскБерезникиБийскБлаговещенскБратскБрянскВеликий НовгородВидноеВладивостокВладикавказВладимирВолгоградВолгодонскВолжскийВологдаВолховВоркутаВоронежВоскресенскВыборгГатчинаГеленджикГрозныйДедовскДербентДзержинскДзержинскийДимитровградДмитровДолгопрудныйДомодедовоДонецкЕвпаторияЕгорьевскЕкатеринбургЕлецЕссентукиЖелезногорскЖелезнодорожныйЖуковскийЗеленоградЗлатоустИвановоИвантеевкаИжевскИркутскИстраЙошкар-ОлаКазаньКалининградКалугаКаменск-УральскийКамышинКаспийскКемеровоКерчьКировКисловодскКлинКовровКоломнаКомсомольск-на-АмуреКопейскКоролёвКостромаКотельникиКрасногорскКраснодарКраснознаменскКрасноярскКурганКурскКызылЛенинск-КузнецкийЛипецкЛобняЛыткариноЛюберцыМагнитогорскМайкопМалаховкаМахачкалаМиассМоскваМурманскМуромМытищиНабережные ЧелныНазраньНальчикНаро-ФоминскНахабиноНаходкаНевинномысскНефтекамскНефтеюганскНижневартовскНижнекамскНижний НовгородНижний ТагилНовокузнецкНовокуйбышевскНовомосковскНовороссийскНовосибирскНовоуральскНовочебоксарскНовочеркасскНовошахтинскНовый УренгойНогинскНорильскНоябрьскОбнинскОдинцовоОктябрьскийОмскОрелОренбургОрехово-ЗуевоОрскПавловский ПосадПензаПервоуральскПермьПетрозаводскПетропавловск-КамчатскийПодольскПрокопьевскПсковПушкиноПятигорскРаменскоеРеутовРостов-на-ДонуРубцовскРыбинскРязаньСакиСалаватСамараСанкт-ПетербургСаранскСаратовСевастопольСеверодвинскСеверскСергиев ПосадСерпуховСимферопольСмоленскСосновый БорСочиСтавропольСтарый ОсколСтерлитамакСтупиноСургутСызраньСыктывкарТаганрогТамбовТверьТихвинТольяттиТомилиноТомскТроицкТулаТюменьУлан-УдэУльяновскУссурийскУсть-ИлимскУфаУхтаФеодосияФрязиноХабаровскХанты-МансийскХасавюртХимкиЧебоксарыЧелябинскЧереповецЧеркесскЧеховЧитаШахтыЩелковоЭлектростальЭлистаЭнгельсЮжно-СахалинскЯкутскЯлтаЯрославль
  • - бесплатно по РФ
    Автоперезвон. Работает по принципу: Вы позвонили на номер, мы сбрасываем звонок и перезваниваем через 3 секунды.
  • - по Москве
  • 8 (925) 663-83-63

Call-центр

пн-вс: 10:00-19:00

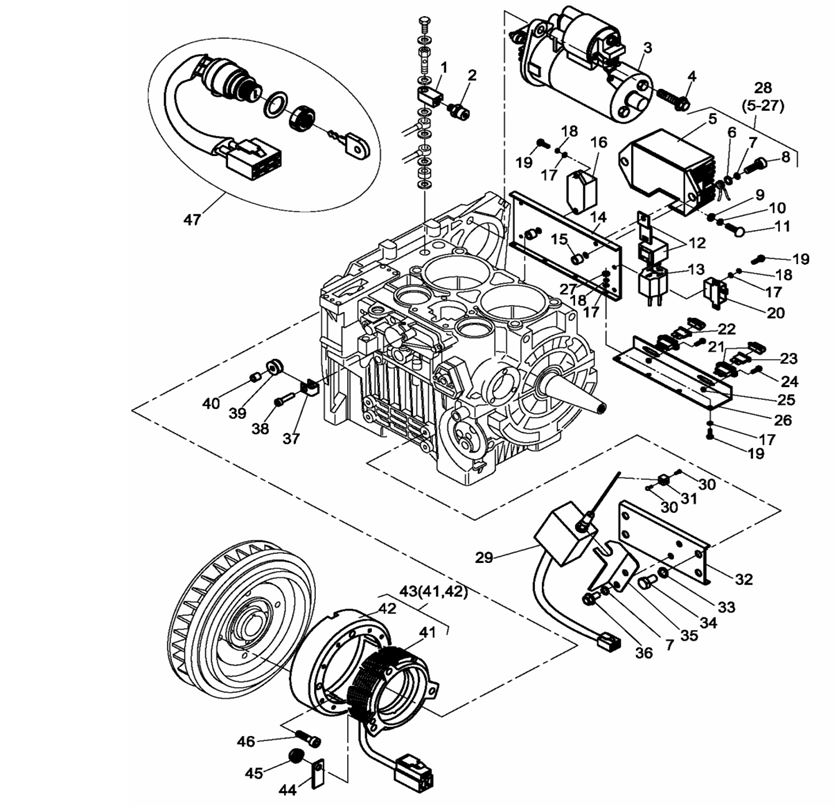
ЗАПЧАСТИ ДЛЯ ДВИГАТЕЛЯ ДИЗЕЛЬНОГО HL292FG1 (АЛЬТЕРНАТОР, СТАРТЕР ЭЛЕКТРИЧЕСКИЙ)

NАртикулНазваниеСрок отгрузкиЦенаКупить
1 0102.107120 Корпус датчика давления масла
2 0102.107130 Датчик давления масла , HL170F-01300A , ДЭС12000ЕТМ 516 р.
3 0102.107140 Стартер электрический 15.923 р.
4 0102.107150 Болт M10х30 мм
5 0102.107160 Регулятор напряжения, HL292F-12210 , ДЭС12000ЕМ.ЕТМ" 1.966 р.
6 0102.002170 Шайба плоская D.8 мм
7 0102.002160 Шайба пружинная D.8 мм
8 0102.107170 Болт M8х40 мм
9 0102.001220 Шайба плоская D.5 мм
10 0102.001180 Шайба пружинная D.5 мм
11 0102.107180 Винт M5х12 мм
12 0102.107190 Реле 12 Вольт, 80 Ампер , HL292F-12230 , ДЭС12000ЕМ 548 р.
13 0102.107200 Разъём реле , HL292F-12240 , ДЭС12000ЕМ 107 р.
14 0102.107210 Пластина монтажная
15 0102.107220 Втулка 8х10 мм
16 0102.107230 Контроллер , HL292F-12220 , ДЭС12000ЕМ 4.318 р.
17 0102.002270 Шайба плоская D.4 мм
18 0102.002260 Шайба пружинная D.4 мм
19 0102.107240 Винт M4х12 мм
20 0102.107250 Соединитель
21 0102.107260 Корпус предохранителя
22 0102.107270 Предохранитель трубчатый, плавкий, 15А. HL292F-12204. ДЭС 12000ЕМ.ЕТМ (после 2015г) 66 р.
23 0102.107280 Предохранитель ножевой, 40А. HL292F-12205. ДЭС 12000ЕМ.ЕТМ (до 2015г). СМ.1901.000620 66 р.
24 0102.107290 Винт M3х8 мм
25 0102.107300 Гайка M3
26 0102.107310 Опора вспомогательная
27 0102.002300 Гайка M4
28 0102.107320 Блок управления в сборе
29 0102.107330 Механизм исполнительный акслератора , HL292F-12510 , ДЭС12000ЕМ 3.318 р.
30 0102.107340 Винт M5х8 мм
31 0102.107350 Гайка M5
32 0102.107360 Кронштейн
34 0102.003620 Болт M10х20 мм
35 0102.107370 Кронштейн механизма исполнительного акселератора
36 0102.002200 Болт M8х14 мм
37 0102.107380 Кронштейн ролика
38 0102.107390 Болт M6х25 мм
39 0102.107400 Ролик
40 0102.107410 Втулка
42 0102.107430 Ротор динамо
43 0102.107420 Динамо в сборе. HL292F-12410, ДЭС12000ЕМ 7.929 р.
44 0102.107450 Зажим провода
45 0102.003250 Гайка M6
46 0102.107460 Болт M6х30 мм
47 0102.107470 Замок зажигания в сборе L=700mm , HL292F-12300 , ДЭС12000ЕМ 1.207 р.
Найдено товаров: 45
1
▲ Наверх
0
8 (925) 663-83-63

Call-центр

пн-вс: 10:00-19:00

НАЙТИ ПО МОДЕЛИ
Введите номер заказа
Введите номер своего заказа, что бы узнать его текущий статус.
Что бы получить доступ к расширенным функциям, пройдите не сложную регистрацию. Зарегистрироваться